Metro Rail Advantages of AFTC
1. Jointless Track Circuits except in point zone.
2. Immune to AC/DC Traction interference.
3. Suitable for Non-RE Section.
4. More Length.
5. Less Depends on R B Integrity (presence) of both rails are ensured in the circuit.
6. Both Rails are available for Traction Return Current.
7. Less maintenance, less staff more reliable.
8. Sensitive TR with a high % of release is not required.
Metro Rail Advantages of AFTC TI-21 A.F.T.C.
TI-21 Can be arranged
1. End Feed arrangement(Continuous)
2. Center Feed Arrangement (Continuous) C
3. A.F.T.C. Ending with other type Track Circuit.
4. A.F.T.C. Ending with Non-Track Circuited
TECHNICAL SPECIFICATION OF
COMPONENTS FOR END FEED A.F.T.C.
1. POWER SUPPLY UNIT (PSU) 2 Nos.
2. TRANSMITTER UNITS (Tx ) 1 Nos.
3. RECEIVER UNITS ( Rx ) 1 Nos.
4. TUNING UNITS (T U-Tx & TU- Rx ) 2 Nos.
5. LINE RELAY (QN1) (50 V,1350 Ω ) 1 Nos.
6. CABLES 1) Tx, Rx TO T.U. 2 Set.
2) T.U. TO TRACK 2 Set.
BLOCK DIAGRAM OF TI-21 END FEED AFTC
BLOCK DIAGRAM OF TI-21 CENTER FEED AFTC
AFTC END FEED WITH NO TRACK CIRCUIT ZONE
Transmitter ABB
RECEIVER- ABB
Gain Setting In T1 Type AFTC
Seimen’s A.F.T.C.
• 6 System Characteristics and Technical Data
• Range of applications Station and open- line tracks, points, and crossings
• Joints Electrical separation joints with S. terminal and shunt bonds
• Traction current return Two-rail
• Interference Frequency-modulated transmission provides immunity to interference
• Cable faults Protection by coded transmission and inter-core short-circuit supervision
• Component failures Safety measures dual-channel design of receive equipment parallel movement (synchronism) of track circuit relays: error detection by the divergent condition of the two relays
• Shock-hazard voltages Electrical isolation between outdoor and indoor equipment
• Rated operating frequencies
• FTG S 46: 4.75 kHz, 5.25 kHz, 5.75 kHz, 6.25 kHz FTG S 917: 9.5 kHz, 10.5 kHz, 11.5 kHz, 12.5 kHz, 13.5 kHz, 14.5 kHz, 15.5 kHz, 16.5 kHz
• Modulation Frequency modulation (shift keying)
• Bit pattern for coding 15 different bit patterns
• Transmission speed For the transmission of time-multiplex bit patterns: VD = max. 200 bit/s
• Operating reliability MTBF: 5 years
• Pick-up delay of track circuit: approx. 0.6 s (in special cases 1.3 s)
• relays
• Drop-out delay of track circuit TDR: approx. 0.25 s (in special cases 0.17 s)
• relays
• Power supply Operating voltage:
• U = 230 V AC +10 %/—15 %, 50Hz + 2%
• System Description
• VT 1 P 64
• Siemens code no:
• 43
• FTG S Track Circuit
• A25000-X22-Q41-O1-7629
• of
• without Data Transmission
• (EZS)
• 15-12-97
• Notice no: K75/D62/V
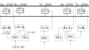
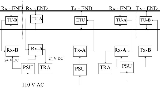
BLOCK DIAGRAM SEAMAN’S AFTC
Seimen’s A.F.T.C
Maximum Effective Length Of Track Circuit.
TRACK VACANCY DETECTION
Modulation And Coding
AFTC EQUIPMENT
SEPARATION JOINTS
TRACK CONNECTIONS
Trackside Connection box
Tx T.U.
Rx T.U.
Modulation Frame FTGS917
Modulation Frame FOR POINT T.C.
Modulation Frame FOR X- ING T.C.
Modulation Frame FTG S 46 T.C.
Modulation Frame FTG S 46 – M T.C.
Transmitter Board
Filter & Amplifier Board
Receiver – I Board
Demodulator Board
Receiver – II Board
Visit Here:- https://www.irfca.org/faq/faq-signal4.html





























