Railway Interlocking of Level Crossing Gate LC gate
LC gate interlocking method – I
1. The level crossing annunciation relay (LCAR) is kept normally energized in the gate lodge when no route over the level crossing has been set.
2. Any route is set, the concerned ASR/TRSR/TLSR drops which in turn de-energizes LCAR.
3. This causes the road signal on either side of the level crossing to display red aspect and the bells also start ringing.
4. The Gate-man closes the gate and locks it, by taking out the key.
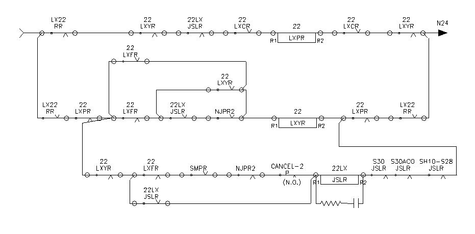
LC gate interlocking method II
1. SM communicates to the gateman on phone to close the gate.
2. The gateman closes the gate, locks the boom and extracts key.
3. The gateman inserts the in key in EKT and turns it clockwise to transmit control.
4. There by LXR relay energizes & sticks through its own front contact.
Energisation of LXR relay at gate lodge energizes LXCR at relay room.
* With LXCR energized, through LXPR back contact B12 flasher supply gets connected to LXK(w) indication and it starts flashing on the panel.
* Then SM acknowledges by turning the LC control knob to normal.
The moment LX22 knob is normalized, LX22 RR drops.
Through LX22 RR drop & LXCR up contact, the 22 LXPR picks up, then SM clears the signal.
Through LX22 RR drop & LXCR up contact, the 22 LXPR picks up, then SM clears the signal.
* The moment signal is cleared, the ASR concerned drops which ensures the 22LXFR to drop.
* There by as long as the signal is in taken off condition, LXYR does not pick up and there by gateman cannot open the gate, even if SM inadvertently turns the LC control knob to reverse.
Interlocking of Level Crossing Gate, LC gate interlocking method – I, LC gate interlocking method – II,LCAR, Gateman, LXR relay, LC control knob






This is the initiative I was planning to start . Happy to see its in reality. Would be happy to know the details about the admin if possible
Thanks