NWKR/RWKR, NWR/RWR, POINT OPERATION CIRCUIT, WCR, POINT OPERATION, WNKR/WRKR, NWKR/RWKR CIRCUIT
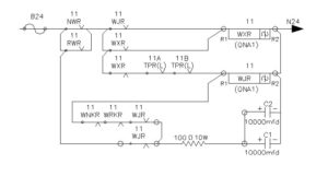
NWKR/RWKR CIRCUIT
* With WLR, RCR/NCR picked up, NWKR/RWKR drops.
* There by all indication relays& its repeater relays (NWKPRs, RWKPRs, NWKSRs, RWKSRs) drop.
NWR/RWR CIRCUIT
With WLR up, all indication relays drop, NCR/RCR up, NWR/RWR will pick up at location
POINT OPERATION CIRCUIT AT LOCATION
* With NWR/RWR picks up, WJR picks up.
* There by WXR picks up and sticks with its own front contact.
* With WXR picking up, normal feed to WJR removed but WJR held in pick up through time delay condenser circuit.
WCR CIRCUIT
- With WXR, WJR, NWR/RWR up and WNKR/WRKR drop, WCR (QBCAI relay) picks up.
POINT OPERATION
- With WCR & NWR/RWR up, 110V DC available on bus bar is extended to point machines at A end & B end parallelly.
- Both points are set to Normal or Reverse.
WNKR/WRKR CIRCUIT
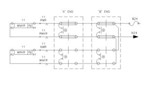
NWKR/RWKR CIRCUIT
1. Energisation of WNKR/WRKR results in dropping of WJR, WCR, and NWR/RWR.
2. With NWR/RWR dropping, WXR drops.
3. Due to all controlling relays (WCR, WJR, WXR, NWR, RWR) at location dropping and WNKR/WRKR picking up, energizes indication relay NWKR/RWKR at relay room.
NWKR/RWKR CIRCUIT
1. Energisation of WNKR/WRKR results in dropping of WJR, WCR, and NWR/RWR.
2. With NWR/RWR dropping, WXR drops.
3. Due to all controlling relays (WCR, WJR, WXR, NWR, RWR) at location dropping and WNKR/WRKR picking up, energizes indication relay NWKR/RWKR at relay room.
POINT OPERATION
1. Energisation of NWKR/RWKR results in dropping of WLR and locks the point electrically.
2. De-energisation of WLR in turn drops PCR1 /PCR2, thereby 110V DC is withdrawn from the location bus bar.
3. In nutshell it can be concluded that point operation initiated, point unlocked, point operated & set, all point controlling relays de-energized, point indication obtained and point locked again.
NWKR/RWKR, NWR/RWR, POINT OPERATION CIRCUIT, WCR, POINT OPERATION, WNKR/WRKR, NWKR/RWKR CIRCUIT







Can u give me code in signaling .example :r,w,n,
yes i will give you.